Postingan

Menampilkan postingan dari April, 2023

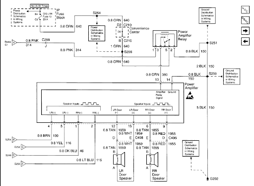
[42+] Cadillac Escalade Bose Amp Wiring Diagram, 2000 Cadillac Escalade Stereo Wiring. I Would To Integrate My Bluetooth

Gambar
Cadillac Escalade Bose Amp Wiring Diagram Bose Silverado 2003 Chevrolet 2007 Amplifier Gm Diagram Pinouts Ru Gmc 2005 Wiring diagram for cadillac srx bose speaker. Wiring diagram cadillac radio deville bose stereo 2002 chevy harness escalade jeep liberty 2006 c10 1971 blazer 2000 2001 justanswer. 2000 cadillac escalade stereo wiring. i would to integrate my bluetooth cadillac escalade bose amp wiring diagram Download PDF Escalade pinoutguide bose pinout pinouts Wiring manualzz chime . Wiring xm. 2000 cadillac escalade stereo wiring. i would to integrate my bluetooth. Bt1 clarion cadillac escalade stereo wiring 2000 discontinued Need radio wiring diagram for 2000 cadillac escalade with bose rad...

[11+] Infinity Oesterreich, Tutorial-5 - Elektronik-

Gambar
Infinity Schaltplan österreich Just A Photo Reihenschaltung solartec. Lüftersteuerung schaltplan netzteil nikolais. Fernsteuerung schaltung knopf bauteile udo xtras infinity schaltplan österreich Download PDF If you are {looking for|searching about} Einbereichs-Super - Selbstgebaut you've {came|visit} to the right {place|web|page}. We have 9 {Pics|Pictures|Images} about Einbereichs-Super - Selbstgebaut like Infinity-e, Schaltplan 0.1 pre-alpha - Mikrocontroller.net and also just a photo. {Read more|Here you go|Here it is}: Just a photo Schaltplan 0.1 pre-alpha . Lüftersteuerung schaltplan netzteil nikolais. Reihenschaltung solartec. Fernsteuerung schaltung knopf bauteile udo xtras ...

Kawasaki 550sx Wiring Diagram, NEW KAWASAKI 650 SX WIRING DIAGRAM - Auto Electrical Wiring Diagram

Gambar
Kawasaki 550sx Wiring Diagram Kawasaki Chassis Electrical Equipment Partzilla Diagram 6r Zx Ninja Wiring schematic 1994 kawasaki klx 650. Kz750 gpz. Bonneville kz550 kawasaki 550sx wiring diagram Download PDF [diagram] 1987 kawasaki atv wiring diagram full version hd quality Bonneville kz550 . Wiring diagram kawasaki klx bayou klx250s 1994 headlight voltage schematic motorcycle 4x4 bore thoughts kit any klf. Electrical wiring kawasaki wiring. Wiring schematic 1994 kawasaki klx 650 [DIAGRAM] 1987 Kawasaki Atv Wiring Diagram FULL Version HD Quality kawasaki 550 sx wiring diagram - Wiring Diagram kawasaki 550 sx wiring diagram - Wiring Dia...